繁体
简体
English
市民频道 |
企业频道 |
智能问答
无障碍浏览
长者模式
登录
注册
首页
政府信息公开
网上办事
互动交流
走进鄂州
数据
专题聚焦
站群导航
当前位置 :
首页
>
政府信息公开
>
政府网站工作报表
>
2025年
>
市直部门网站
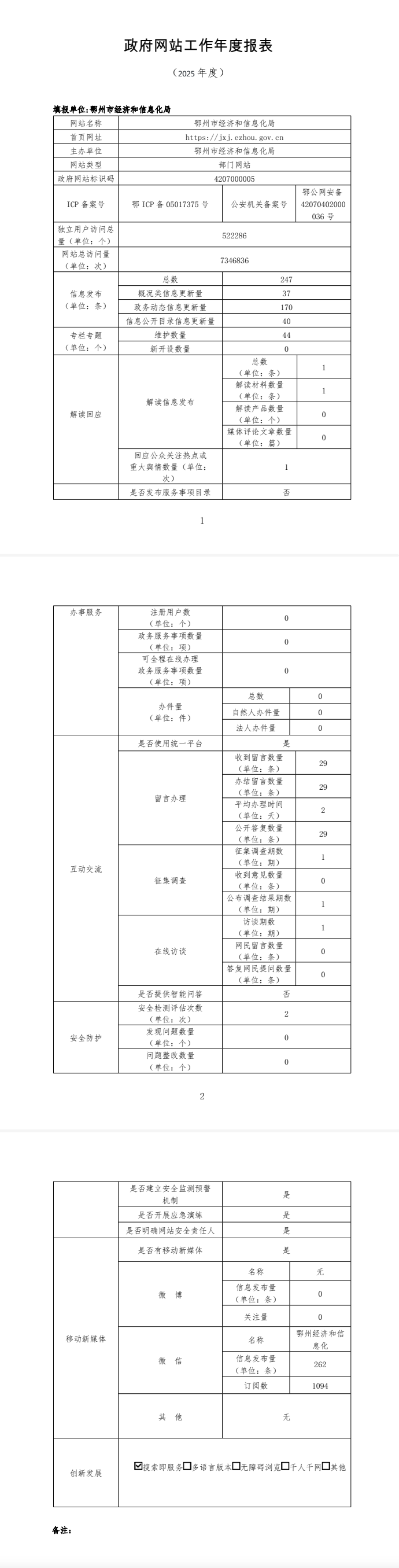
市经信局
信息来源:鄂州政府网
日期:2026-01-21
扫一扫在手机上查看当前页面
【
打印此页
丨
关闭窗口
】
×
您访问的链接即将离开“
”门户网站 是否继续?